Ceramic-Coated Weld Locator Pins, Electrode Caps and Bases
Complete electrode assemblies for projection nut welding
Ceramic-coated weld locator pins, electrode caps and electrode bases FOR SALE at Weld Systems Integrators are made from D2 steel and coated in hard ceramic material. Ceramic-coated weld locator pins resist wear and are designed to withstand the high current and pressure found in nut welding applications.
Electrode caps and bases are part of a complete electrode assembly for projection nut welding. Caps contact the workpiece and can be easily replaced when the weld face is worn. The cap has a through-hole for an insulated locator pin. The base keeps the pin extended when not under compression from the upper electrode, reducing weld slag buildup around the pin.
Weld Systems Integrators maintains an inventory of ceramic-coated weld locator pins, electrode caps, and electrode bases at our Warrensville Heights, OHIO location. For pricing, please give us a call at 844-WSI-WELD or 216-475-5629.
PDF Catalog – Ceramic Coated Weld Locator Pins, Caps, and Bases
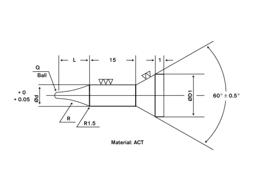
Ceramic-Coated Locator Pins
Ceramic-Coated Locator Pins

| Part Number |
dø |
Tolerance |
Dø |
L |
R |
Q |
| TP-M04 |
5 |
-0.2 / -0.3 |
12 |
5.5 |
11.0 |
1.0 |
| TP-M05 |
6 |
-0.2 / -0.3 |
12 |
7.5 |
15.0 |
1.0 |
| TP-M06 |
7 |
-0.2 / -0.3 |
12 |
9.5 |
23.6 |
1.5 |
| TP-M07 |
8 |
-0.2 / -0.3 |
12 |
10.5 |
23.6 |
1.5 |
| TP-M08 |
9 |
-0.2 / -0.3 |
12 |
11.0 |
21.7 |
1.5 |
| TP-M09 |
10 |
-0.2 / -0.3 |
12 |
11.0 |
21.7 |
1.5 |
| TP-M10 |
11 |
-0.2 / -0.3 |
16 |
12.0 |
22.3 |
2.0 |
| TP-M11 |
12 |
-0.2 / -0.3 |
16 |
13.5 |
22.3 |
2.0 |
| TP-M12 |
13 |
-0.2 / -0.3 |
16 |
15.0 |
27.0 |
2.0 |
| TP-M13 |
14 |
-0.2 / -0.3 |
16 |
15.0 |
27.0 |
2.0 |
| TP-M14 |
15 |
-0.2 / -0.3 |
21 |
16 |
38 |
2.5 |
| TP-M15 |
16 |
-0.2 / -0.3 |
21 |
16 |
38 |
2.5 |
| TP-M16 |
17 |
-0.2 / -0.3 |
21 |
17 |
30 |
2.5 |
| TP-M16.5 |
16.5 |
-0.2 / -0.3 |
21 |
17 |
30 |
2.5 |
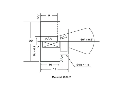
Electrode Caps
Electrode Cap Tips

| Part Number |
Dø |
dø |
M |
c |
Use with Lower Base |
Use with Upper Electrode Tip |
| CN-M04 |
25 |
5 |
18 |
22 |
DH-25C |
NFD16-M5-16-3 |
| CN-M05 |
25 |
6 |
18 |
22 |
DH-25C |
NFD16-M5-16-3 |
| CN-M06 |
25 |
7 |
18 |
22 |
DH-25C |
NFD20-M6-16-3 |
| CN-M07 |
25 |
8 |
18 |
22 |
DH-25C |
NFD20-M6-16-3 |
| CN-M08 |
25 |
9 |
18 |
22 |
DH-25C |
NFD20-M8-16-3 |
| CN-M09 |
25 |
10 |
18 |
22 |
DH-25C |
NFD20-M8-16-3 |
| CN-M10 |
30 |
11 |
22 |
27 |
DH-30A |
NFD20-M10-16-3 |
| CN-M11 |
30 |
12 |
22 |
27 |
DH-30A |
NFD20-M10-16-3 |
| CN-M12 |
30 |
13 |
22 |
27 |
DH-30A |
NFD20-M12-16-3 |
| CN-M13 |
30 |
14 |
22 |
27 |
DH-30A |
– |
| CN-M14 |
32 |
15 |
22 |
29 |
DH-35AI |
– |
| CN-M15 |
32 |
16 |
27 |
29 |
DH-35AI |
– |
| CN-M16 |
32 |
17 |
27 |
29 |
DH-35AI |
– |
| CN-M16.5 |
32 |
16.5 |
27 |
29 |
DH-35AI |
– |
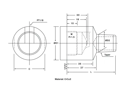
Lower Electrode Bases
Lower Electrode Bases

| Part Number |
D1ø |
D2ø |
C |
L |
Taper |
M |
| DH-25C |
25 |
15.875 |
22 |
50 |
MT#2 |
18 |
| DH-25D |
25 |
1.60 |
22 |
50 |
1/10 |
18 |
| DH-30A |
30 |
15.875 |
27 |
50 |
MT#2 |
22 |
| DH-30B |
30 |
1.60 |
27 |
50 |
1/10 |
22 |
| DH-35AI |
35 |
15.875 |
No Flat |
49 |
MT#2 |
26 |
Upper Electrodes
Upper Electrodes

| Part Number |
Nut Size |
Dø |
Dø |
| NFD16-M5-16-3 |
M4-M5 |
0.63 in. (16 mm) |
0.20 in. (5 mm) |
| NFD16-M6-16-3 |
M6-M7 |
0.63 in. (16 mm) |
0.24 in. (6 mm) |
| NFD16-M8-16-3 |
M8-M9 |
0.63 in. (16 mm) |
0.30 in. (7.5 mm) |
| NFD18-M6-16-3 |
M6-M7 |
0.71 in. (18 mm) |
0.24 in. (6 mm) |
| NFD18-M8-16-3 |
M8-M9 |
0.71 in. (18 mm) |
0.30 in. (7.5 mm) |
| NFD20-M5-16-3 |
M4-M5 |
0.79 in. (20 mm) |
0.24 in. (6 mm) |
| NFD20-M6-16-3 |
M6-M7 |
0.79 in. (20 mm) |
0.28 in. (7 mm) |
| NFD20-M8-16-3 |
M8-M9 |
0.79 in. (20 mm) |
0.30 in. (7.5 mm) |
| NFD20-M10-16-3 |
M10-M11 |
0.79 in. (20 mm) |
0.39 in. (10 mm) |
| NFD20-M12-16-3 |
M12 |
0.79 in. (20 mm) |
0.47 in. (12 mm) |
Contact Weld Systems Integrators