TECNA 3184D Suspended MFDC Weld Gun
90 kVA | Air-Operated | MFDC / Inverter
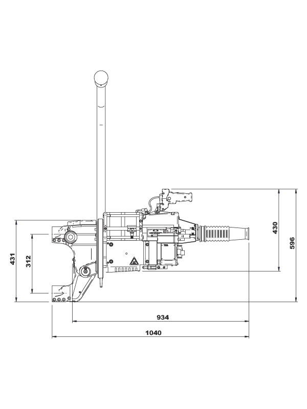
TECNA 3184D MFDC Weld Gun
The TECNA 3184D is a 90 kVA, MFDC / inverter, air-operated, scissor-type spot weld gun. TECNA inverter technology offers advantages over single-phase AC, including greater welding quality and precision, more efficient use of electricity, smaller size, and less electrical loss due to impedance (power savings).
- Model: TECNA 3184D
- Gun type: Scissor-type
- Power @ 50% duty cycle: 90 kVA
- Power supply: MFDC / inverter
- Max. weld current: 30,000 amps
- Max. weld force: 2,427 lbs.
- Max. electrode throat depth: 40.55 in.
Current IN-STOCK Inventory: 4
WSI maintains an inventory of suspended weld guns at our Warrensville Heights, Ohio location. Call 844-WSI-WELD or 216-475-5629, or complete the form below for available inventory.
Quote RequestFeaturesSpecifications
Please submit the following form to request additional information.
Enter “TECNA-3184D” on the following quote request form.
If you have any questions on WSI Select – IN-STOCK equipment available from Weld Systems Integrators, please call 844-WSI-WELD or 216-475-5629 and ask to speak with a WSI Engineer.
- Designed to carry out high-quality welds with high productivity and reduced installation costs.
- High electrode force. Reduced dimensions and safe components.
- Gyro suspension on sealed bearings assures, together with a balancer, accurate maneuverability at any degree.
- Rotation locking device.
- Long working stroke to weld reinforcements, ribs, and to enable working in areas difficult to reach, etc.
- Adjustable working stroke for heavy duty.
- Temporary extra stroke to reach the areas to be welded.
- Chromium-plated cylinder and shaft for heavy duty and long life.
- Lubrication-free pneumatic circuit to avoid oil mist in the environment.
- The secondary circuit in copper is completely water-cooled.
- Valves on the cooling circuit to make the electrode replacement easier.
- Supplied equipped with earth leakage switch with 30 mA safety control. Upon request ground fault unit.
- Control handle enabling the selection of two welding programs as well as the opening of the double stroke and the function “pressure only”.
- Safety device against accidental triggering.
- Emergency push-button to stop the machine immediately.
- Flow-switch which makes the welder stop if the cooling water does not circulate.
Options:
- Additional control handle.
- Proportional valve. Allows to adjust the working pressure directly from the control unit and to combine a proper pressure value to each program. Assures constant and accurate working pressure.
Additional equipment on demand:
- Arms and electrodes: according to tables.
- Different lengths of supply cables and hoses.
- Balancers equipped with rotary and insulated hook (option RI).
| SPECIFICATIONS | UNIT | 3176 | 3176D | 3177 | 3177D | 3183 | 3183D | 3184 |
|---|---|---|---|---|---|---|---|---|
| Nominal power 50% | kVA | 56 | 56 | 56 | 56 | 90 | 90 | 90 |
| Maximum welding power | kVA | 200 | 200 | 200 | 200 | 270 | 270 | 270 |
| Maximum short circuit current | kA | 25 | 25 | 25 | 25 | 30 | 30 | 30 |
| Thermal current 100% | A | 4900 | 4900 | 4900 | 4900 | 6600 | 6600 | 6600 |
| No load secondary voltage | V | 8,4 | 8,4 | 8,4 | 8,4 | 9,9 | 9,9 | 9,9 |
| Supply | V / Hz | 480 V / 60 Hz | 480 V / 60 Hz | 480 V / 60 Hz | 480 V / 60 Hz | 480 V / 60 Hz | 480 V / 60 Hz | 480 V / 60 Hz |
| Mains cables section (L=30m) | mm2 | 25 | 25 | 25 | 25 | 35 | 35 | 35 |
| Delayed fuses | A | 100 | 100 | 100 | 100 | 100 | 100 | 100 |
| Arms centreline | mm | 205 | 205 | 265 | 265 | 219 | 219 | 312 |
| lnsulated arms connection Ø | mm | 42 | 42 | 42 | 42 | 47 | 47 | 47 |
| Not insulated arms connection Ø | mm | 44 | 44 | 44 | 44 | 49 | 49 | 49 |
| Ø gyro suspension | mm | 266 | 266 | 266 | 266 | 313 | 313 | 313 |
| Arms min. length | mm | 190 | 190 | 190 | 190 | 255 | 255 | 255 |
| Max. electrode force (8 bar single-stage cylinder) | daN | 450 | '-/- | 450 | '-/- | 855 | '-/- | 855 |
| Max. electrode force (6 bar single-stage cylinder) | daN | 340 | '-/- | 340 | '-/- | 645 | '-/- | 645 |
| Max. electrode force (6 bar double stage cylinder) | daN | '-/- | 675 | '-/- | 675 | '-/- | 1080 | '-/- |
| Working stroke | mm | 8 - 25 | 8 - 25 | 8 - 25 | 8 - 25 | 8 - 25 | 8 - 25 | 8 - 25 |
| Maximum stroke | mm | 200 - 250 | 200 - 250 | 200 - 250 | 200 - 250 | 50 - 70 | 50 - 70 | 50 - 70 |
| Arms max. length | mm | 800 | 800 | 800 | 800 | 1030 | 1030 | 1030 |
| Max. electrode force (8 bar single-stage cylinder) | daN | 130 | '-/- | 130 | '-/- | 245 | '-/- | 245 |
| Max. electrode force (6 bar single-stage cylinder) | daN | 95 | '-/- | 95 | '-/- | 185 | '-/- | 185 |
| Max. electrode force (6 bar double stage cylinder) | daN | '-/- | 197 | '-/- | 197 | '-/- | 311 | '-/- |
| Working stroke | mm | 8 - 25 | 8 - 25 | 8 - 25 | 8 - 25 | 5 - 20 | 5 - 20 | 5 - 20 |
| Maximum stroke | mm | 200 - 250 | 200 - 250 | 200 - 250 | 200 - 250 | 50 - 70 | 50 - 70 | 50 - 70 |
| Compressed air supply | bar | 8 | 6 | 8 | 6 | 8 | 6 | 8 |
| Ø supply hose | mm | 10 | 10 | 10 | 10 | 10 (13) | 10 (13) | 10 (13) |
| Water cooling | l/h | 480 | 480 | 480 | 480 | 480 | 480 | 480 |
| Max. thickness mild steel sheet with arms min. length | mm / class | 1.3 + 1. 3 / A | 2.5 + 2. 5 / A | 1.3 + 1. 3 / A | 2.5 + 2. 5 / A | 2.5 + 2. 5 / A | 4.3 + 4. 3 / A | 2.5 + 2. 5 / A |
| with arms L=508 mm | mm / class | 0,8+0,8/B | 1,3+1,3/A | 0,8+0,8/B | 1,3+1,3/A | 1,6+1,6/A | 2,5+2,5/A | 1,6+1,6/A |
| with arms max. length | mm / class | 1+1/C | 0,8+0,8/B | 1+1/C | 0,8+0,8/B | 0,8+0,8/A | 2+2/B | 0,8+0,8/A |
| Max. thickness mild steel sheet with arms min. length | mm / class | 1,6+1,6/A | '-/- | 1,6+1,6/A | '-/- | 3+3/A | '-/- | 3+3/A |
| with arms L=508 mm | mm / class | 1,3+1,3/B | '-/- | 1,3+1,3/B | '-/- | 2+2/A | '-/- | 2+2/A |
| with arms max. length | mm / class | 0,5+0,5/B | '-/- | 0,5+0,5/B | '-/- | 1+1/A | '-/- | 1+1/A |
| Net weight with cables and hoses, suspension without arms | kg | 55 | 55 | 55.5 | 55.5 | 75 | 75 | 76 |
| Balancer: short arms | Model | 9405 | 9405 | 9412 | 9412 | 9413 | 9413 | 9413 |
| Balancer: long arms | Model | 9412 | 9412 | 9412 | 9412 | 9414 | 9414 | 9422 |







