TECNA 3321 Suspended AC Weld Gun
16 kVA | Air-Operated | Single-Phase AC
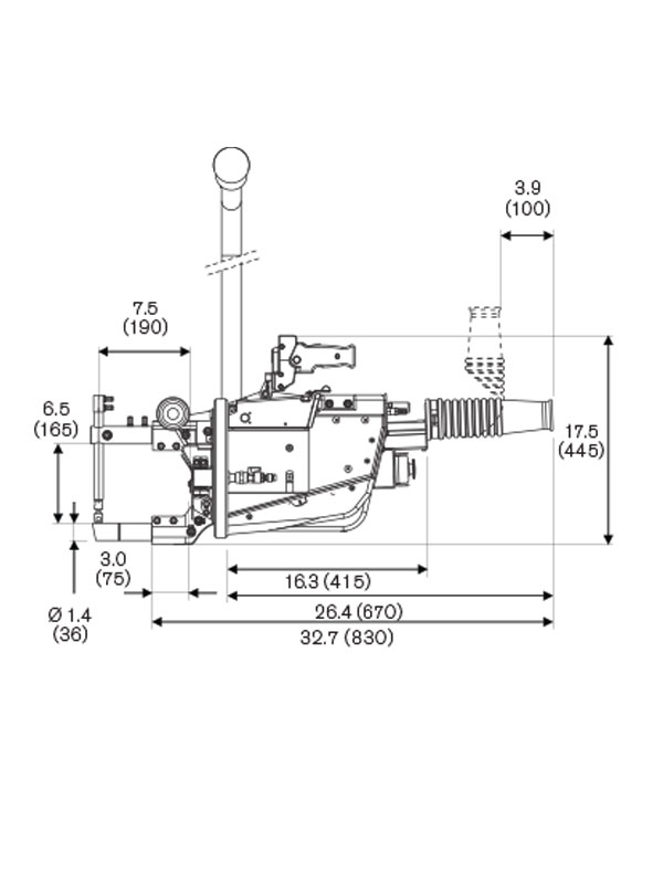
TECNA 3321 Suspended Weld Gun
The TECNA 3321 is a 16 kVA, single-phase AC, scissor-type suspended weld gun. This versatile and powerful air-operated suspended spot welding gun has arms from 7.48″ – 25.59″ with custom arm holder configurations available.
- Model: TECNA 3321
- Gun type: Scissor-type
- Power @ 50% duty cycle: 16 kVA
- Power supply: Single-phase AC
- Max. weld current: 16,000 amps
- Max. weld force: 213 lbs.
- Max. electrode throat depth: 25.59
Current IN-STOCK Inventory: 2
WSI maintains an inventory of suspended weld guns at our Warrensville Heights, Ohio location. Give us a call at 844-WSI-WELD, 216-475-5629, or complete the form below for available inventory.
Quote RequestFeaturesSpecificationsDocumentation
Please submit the following form to request additional information.
Enter “TECNA-3321” on the following quote request form.
If you have any questions on WSI Select – IN-STOCK equipment available from Weld Systems Integrators, please call 844-WSI-WELD or 216-475-5629 and ask to speak with a WSI Engineer.
- Pneumatically-operated suspended gun with integrated TE300, TE470 or TE480 microprocessor-based welding controls.
- Intelligent Design, Small Dimensions, and High Welding Capacity deliver Maximum Productivity.
- High electrical efficiency.
- The totally-enclosed unit includes rubber bumpers in some areas, for safe and easy operation.
- Accurate maneuverability at any angle is guaranteed by gyro suspension mounted on sealed bearings, coupled with a TECNA balancer.
- Rotation lock allows the locking of multiple axes of motion.
- Accepts a broad range of standard and special arms to accommodate special applications. “C” type gun assists in accessing unconventional areas.
- Chromium copper electrode holders offer long life in a production environment and are designed for use at angles of up to 30°. Ask about WSI-exclusive 30-degree arms!
- Long, adjustable Welding Stroke enables welding in difficult-to-reach areas, including welding reinforcements and ribs.
- Temporary extra stroke (retraction stroke) allows for reaching into tough spots.
- Water-cooled transformer, with epoxy resin-coated windings for long life.
- Water-cooled arms, electrode holders, and electrodes for best performance and maximum use.
- SCR (Silicon-Controlled Rectifier) is insulated from the cooling circuit and includes a thermal cutoff switch for overheat protection.
- Lube-free chromium-plated cylinder and shaft offer a long service life in a production environment.
- Lube-free pneumatic circuit eliminates oil mist in your shop.
- Trigger Handle Safety prevents accidental initiation.
- Trigger Handle Controls enable selection between 2 or 4 welding programs, as well as Stage 1 ‘weld / no-weld’ function.
- New for 2017: Power Supply Cable is replaceable without opening up the welder!
| SPECIFICATIONS | UNIT | 3321 | 3322 | 3323 | 3324 | 3327 | 3328 |
|---|---|---|---|---|---|---|---|
| Gun Type | Scissor-type | Scissor-type | C-type | Scissor-type | Scissor-type | Scissor-type | |
| Power @ 50% Duty Cycle | kVA | 16 | 23 | 23 | 23 | 38 | 38 |
| Max Power | kVA | 37 | 65 | 63 | 52 | 110 | 92 |
| Short Circuit Current | A | 16,000 | 21,000 | 21,000 | 16,500 | 27,000 | 22,500 |
| Thermal Current @ 100% | kA | 4 | 4.25 | 4.25 | 4.25 | 5.4 | 5.4 |
| Secondary Voltage | V | 2.8 | 3.8 | 3.8 | 3.8 | 5 | 5 |
| * Supply Voltage (@60Hz) | V | 440 | 440 | 440 | 440 | 440 | 440 |
| Primary Cables Ø (up to 30m) | mm2 | 10 | 16 | 16 | 16 | 25 | 25 |
| Delayed Fuses @ 440VAC | A | 32 | 40 | 40 | 40 | 80 | 80 |
| Arm Spacing | in. (mm) | 6.5 (165) | 6.5 (165) | 4.7 (120) | 8.9 (225) | 6.1 (155) | 11.0 (280) |
| Arm Minimum Length | in. (mm) | 7.5 (190) | 7.5 (190) | – | 9.8 (250) | 9.8 (250) | 9.8 (250) |
| Max Electrode Force @ 116 psi (8 bar) | lbs. (daN) | 629 (286) | 744 (338) | 660 (300) | 590 (268) | 1529 (695) | 1529 (695) |
| Working Stroke | in. (mm) | 0.2-1.0 (6-25) | 0.2-0.8 (5-20) | 0.2-0.8 (5-20) | 0.2-1.0 (6-25) | 0.4-1.0 (10-26) | 0.4-1.0 (10-26) |
| Maximum Stroke | in. (mm) | 1.2-1.9 (30-48) | 1.1-1.6 (28-40) | 1.4-2.0 (35-50) | 1.2-1.9 (30-48) | 1.8-2.4 (45-60) | 1.8-2.4 (45-60) |
| Arm Maximum Length | in. (mm) | 25.6 (650) | 31.5 (800) | – | 25.6 (650) | 40.6 (1030) | 32.3 (820) |
| Max Electrode Force @ 116 psi (8 bar) | lbs. (daN) | 209 (95) | 205 (93) | – | 249 (113) | 343 (156) | 431 (196) |
| Working Stroke | in. (mm) | 0.7-2.8 (18-72) | 0.7-2.9 (18-73) | – | 0.6-2.4 (15-60) | 1.6-3.9 (40-100) | 1.2-3.0 (30-75) |
| Maximum Stroke | in. (mm) | 3.5-5.5 (90-140) | 4.0-5.7 (102-146) | – | 3.3-4.7 (84-120) | 6.5-8.9 (165-225) | 5.1-6.9 (130-175) |
| Compressed Air Supply | psi (bar) | 94 (6.5) | 94 (6.5) | 94 (6.5) | 94 (6.5) | 94 (6.5) | 94 (6.5) |
| Air per 1000 Spots @ 72.5 psi (500kP / 5 bar) | SCF (Nm3) | 141 (4) | 141 (4) | 141 (4) | 141 (4) | 265 (7.5) | 265 (7.5) |
| Hose Inside Ø | in. (mm) | 0.4 (10) | 0.4 (10) | 0.4 (10) | 0.4 (10) | 0.4 (10) | 0.4 (10) |
| Water Cooling @ 36 psi (250 kP / 2.5 bar) | gpm (lpm) | 1.85 (7) | 1.85 (7) | 1.85 (7) | 1.85 (7) | 2.11 (8) | 2.11 (8) |
| Max Thickness Mild Sheet Steel | |||||||
| w/90° Arms @ Min. Length | in. (mm) | 0.12 x 0.12 (3 x 3) | 0.16 x 0.16 (4 x 4) | 0.16 x 0.16 (4 x 4) | 0.14 x 0.14 (3.5 x 3.5) | 0.20 x 0.20 (5 x 5) | 0.20 x 0.20 (5 x 5) |
| w/90° Arms @ 20" (508mm) | in. (mm) | 0.07 x 0.07 (1.8 x 1.8) | 0.12 x 0.12 (3 x 3) | – | 0.12 x 0.12 (3 x 3) | 0.14 x 0.14 (3.5 x 3.5) | 0.14 x 0.14 (3.5 x 3.5) |
| w/90° Arms @ Max. Length | in. (mm) | 0.05 x 0.05 (1.2 x 1.2) | 0.08 x 0.08 (2 x 2) | – | 0.08 x 0.08 (2 x 2) | 0.08 x 0.08 (2 x 2) | 0.10 x 0.10 (2.5 x 2.5) |
| w/90° Arms, Cross Wire Max Ø | in. (mm) | 0.39 x 0.39 (10 x 10) | 0.55 x 0.55 (14 x 14) | 0.55 x 0.55 (14 x 14) | 0.47 x 0.47(12 x 12) | 0.63 x 0.63 (16 x 16) | 0.63 x 0.63 (16 x 16) |
| Welding Rate per Minute | |||||||
| 0.040 x 0.040" (1x1mm) Class A | 66 | 80 | 80 | 80 | 100 | 100 | |
| 0.060 x 0.060" (1.5 x 1.5mm) Class A | '- | 32 | 32 | 32 | 44 | 44 | |
| 0.080 x 0.080" (2x2mm) Class A | 14 | 16 | 16 | 16 | 20 | 20 | |
| 0.098 x 0.098" (2.5 x 2.5mm) Class A | '- | '- | '- | '- | 14 | 14 | |
| 0.118 x 0.118" (3x3mm) Class B | '- | '- | '- | '- | 8 | 8 | |
| Net Weight (w/cables, hoses, suspension & shortest arms) | lbs. (kg) | 101 (46) | 114 (52) | 117 (53) | 121 (55) | 167 (76) | 172 (78) |
| Packing Box Dimensions | in. (mm) | 12 x 33.5 x 21.7 (300x850x550) | 12 x 33.5 x 21.7 (300x850x550) | 13 x 44.1 x 24.8 (330x1120x630) | 13 x 44.1 x 24.8 (330x1120x630) | 29.9 x 41.3 x 19.7 (760x1050x500) | 29.9 x 41.3 x 19.7 (760x1050x500) |
| Spring Balancer | |||||||
| Short Arms Capacity Required | lbs. (kg) | 99-121 (45-55) | 121-143 (55-65) | 121-143 (55-65) | 121-143 (55-65) | 165-198 (75-90) | 165-198 (75-90) |
| Short Arms Balancer Required | Model # | 9367BR | 9368BR | 9368BR | 9368BR | 9370BR | 9370BR |
| Long Arms Capacity Required | lbs. (kg) | 121-143 (55-65) | 143-165 (65-75) | – | 143-165 (65-75) | 198-231 (90-105) | 198-231 (90-105) |
| Long Arms Balancer Required | Model # | 9368BR | 9369BR | – | 9369BR | 9371BR | 9371BR |







